1.持续推进三维正向设计和提高设计效率
2.采用统一平台与其他专业协同设计做到数据保持同源、同时
3.减少频繁的数据转换导致得三维协同设计效率不高
4.从传统二维设计转向三维正向设计

主接线图设计师根据项目选址选型基本输入条件,输入海拔高度、装机容量、高压侧电压等级和主接线形式,系统根据输入参数,调用选型资源规格配置数据库,在所选结构树上自动生成主接线图选型设备。根据主接线形式,将设备符号在生成的主接线图视图中给出初步图面布局方案,实现主接线图自动化设计。

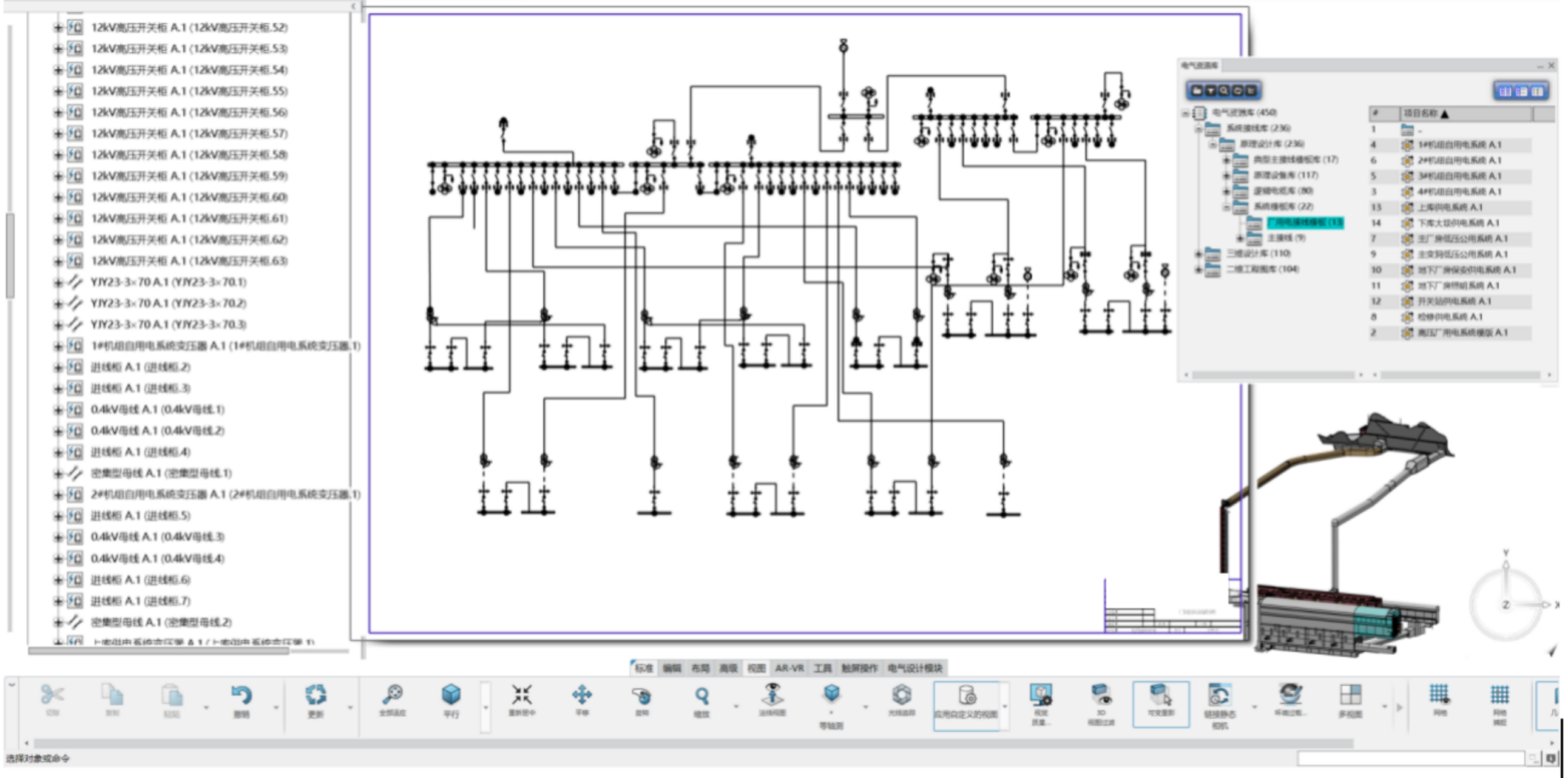
电一专业设计师通过在电气资源库选择厂用电接线模板,模块化成批量调用高压厂用电设备、开关及电缆连接模组,快速给出厂用电高压端供配电方案;再通过调用电缆库完成模组间的电缆接线定义,出图效率得到有效提升。

电一专业设计师根据项目外专业提供的负荷提资清单,输入设备名称、电压等级、负荷容量以及设备工作状态参数,系统根据输入参数,调用选型资源规格配置数据库,在所选结构树上自动生成厂用电低压系统选型设备。根据厂用电低压系统订货图样式模板,将设备符号在生成的厂用电低压图视图中给出初步图面布局方案,实现厂用电低压图自动化设计。

电二专业设计师通过在电气资源库选择电气二次接线模板,模块化成批量调用电气二次设备及网络连接模组,快速给出二次系统网络方案;再通过信号接线完成模组间的网络定义,出图效率得到有效提升。

接线图的设计应考虑可读性和操作性,使维护人员能够快速准确地理解和调试系统,提高维护效率。

三维设备布置已与其他其他专业开展三维协同设计。
