随着MBSE领域工程技术服务的全面开花,新的业务带来了新的挑战,必然会诞生出新的技术研发方向。传统的系统工程和基于模型的系统工程往往需要漫长的研发周期,而市场需求变化日新月异,对MBSE的研发周期和效率提出了新的要求,我们需要能够以更少的时间制造出功能更强大且缺陷更少的产品。针对MBSE的敏捷设计,快速实现产品研制,安托搭建了初步工程技术原型,探索敏捷系统工程的技术方向。
在前两期的内容中,已经介绍了初步工程技术原型的技术路线和场景,本期将对完整的原型进行介绍。在 MBSE联合仿真再探索(二)中已经对原型进行了场景介绍(详细信息可点击文字查看),原型场景框架如下图所示:

图1 原型场景框架
一、原型环境配置
Windows10系统;
CATIA Magic System of Systems Architecture 2021x Refresh2;
Dymola 2021x;
FlightGear 2020.3;
大疆RoboMaster TT。
二、原型背景
产品研制过程中的系统仿真主要存在两种方式:一是设计工具的逻辑仿真,验证功能分解,一种是设计工具的指标传输给仿真工具,仿真工具进行指标仿真验证。
安托的工程技术原型将这两种方式有机结合,在设计工具执行功能仿真的过程中,同步进行指标验证,两者实时通讯,实现在设计工具端控制执行仿真过程。同时在执行的过程中加入了虚拟无人机和真实无人机,他们接收相同的控制指令,观察执行结果并分析来校准虚拟无人机,提高虚拟无人机的置信度,进而达到以虚优实的目标。
三、原型过程
在控制中心(CATIA Magic构建)构建无人机任务过程,应用安托开发的通信插件,在任务执行过程中同时将控制指令发送给虚拟无人机(Dymola构建)和真实无人机,虚拟无人机和真实无人机指令执行完成后会反馈给控制中心;

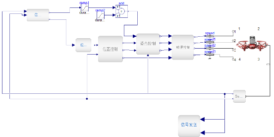
虚拟无人机模型(Dymola构建)如图3所示,接收控制指令和发送运动信息由通信接口模型(Dymola构建)向控制中心和视景软件(FlightGear)传递,如图4所示;

图3 虚拟无人机

图4 通信接口模型
最终由视景软件接收虚拟无人机的任务过程进行可视化展示,包含无人机的位置、速度和角度信息,接收代码如图5所示;

图5 视景软件接收代码
并与真实无人机进行比对,根据比对结果调整虚拟无人机的模型数据,进而达到虚实无人机运行一致。
四、原型关键技术成果
安托在工程技术原型中的关键技术成果如下:
· 系统设计工具(CATIA Magic)与外部异构软件通讯插件开发,适用TCP和UDP通信协议,也可拓展至其它通用通信协议;
· 系统仿真工具(Dymola)与外部通信的通信接口模型构建,可直接复用于类似场景的通信模型;
· 形成了系统设计工具与系统仿真工具联合仿真的解决方案和初始案例,可直接复用于需求闭环验证、多方案权衡等产品研制实际场景;
· 敏捷设计思路在MBSE领域的初次验证,为后续aMBSE的真正工程实践落地奠定基础
五、原型成果展示
通过工程技术原型的研究,安托系统工程团队验证了虚实结合的产品快速设计与仿真初步构想,下一步将对敏捷系统工程进行更深入研究,探索系统工程更便捷、更快速、更准确的应用方法,实现aMBSE的工程落地,让客户在应用MBSE的过程中安心托付,智造未来